公司簡介
江蘇先行儀表科技有限公司是國內外專業的智能電磁流量計,智能威力巴流量計,智能變送器,光電溫度傳感器供應商,主營產品有:智能電磁流量計,智能威力巴流量計,智能變送器,光電溫度傳感器等等
展開
產品說明
|
產品特點:
|
產品簡介
XXD800系列傳感器是先進的雷達式物位測量儀表,測量距離zui大35米,可以用于存儲罐、中間緩沖罐或過程容器的物位測量,輸出4…20mA模擬信號。 |
| |
XXD800XXD800系列智能型雷達物位計的詳細資料: |

輸入
天線接收反射的微波脈沖并將其傳輸給電子線路,微處理器對此信號進行處理,識別出微脈沖在物料表面所產生的回波。正確的回波信號識別由智能軟件完成,精度可達到毫米級。距離物料表面的距離D與脈沖的時間行程T成正比:
D=C×T/2
其中C為光速
因空罐的距離E已知,則物位L為:
L=E-D
輸出
通過輸入空罐高度E(=零點),滿罐高度F(=滿量程)及一些應用參數來設定,應用參數將自動使儀表適應測量環境。對應于4-20mA輸出。
應用介質:
XXD800系列雷達物位計適用于對液體、漿料及顆粒料的物位進行非接觸式連續測量,適用于溫度、壓力變化大;有惰性氣體及揮發存在的場合。
采用微波脈沖的測量方法,并可在工業頻率波段范圍內正常工作。波束能量較低,可安裝于各種金屬、非金屬容器或管道內,對人體及環境均無傷害。
產品簡介:
|
XXD800系列智能雷達物位儀表
|

|

|

|
|
類 別
|
XXD801
|
XXD802
|
XXD803
|
|
應 用
|
過程條件簡單,腐蝕性的液體、漿料、固體
比如:
水液儲罐
酸堿儲罐
漿料儲罐
固體顆粒
小型儲油罐
|
存儲或過程容器腐蝕性的液體、漿料、固體
比如:
水液儲罐
酸堿儲罐
漿料儲罐
固體顆粒
小型儲油罐
|
適應各種存儲容器或過程計量環境,液體、漿料、固體
比如:
原油、輕油儲罐
原煤、粉煤倉位
揮發性液體儲罐
焦碳料位
漿料儲罐
固體顆粒
|
|
測 量 范 圍
|
20米
|
20米
|
35米
|
|
過 程 連 接
|
螺紋
|
法蘭
|
法蘭
|
|
過 程 溫 度
|
-40-130℃
|
-40-150℃
|
-40-250℃
|
|
過 程 壓 力
|
-1.0-3bar
|
-1.0-20bar
|
-1.0-40bar
|
|
重 復 性
|
± 3mm
|
± 3mm
|
± 3mm
|
|
精 度
|
< 0.1%
|
< 0.1%
|
< 0.1%
|
|
頻 率 范 圍
|
6.8GHz
|
6.8GHz
|
6.8GHz
|
|
防爆/防護等級
|
EXiaIICT6/IP68
|
EXiaIICT6/IP68
|
EXiaIICT6/IP68
|
|
信 號 輸 出
|
4…20mA/HART(兩線)
|
4…20mA/HART兩線)
|
4…20mA/HART(兩線)
|
安裝指南
安裝說明
- 推薦距離(1)墻至安裝短管的外壁:
- 離罐壁為罐直徑1/6處,zui小距離為200mm。
- 不能安裝在入料口的上方(4)。
- 不能安裝在中心位置(3),如果安裝在中央,會產生多重虛假回波,干擾回波會導致信號丟失。
- 如果不能保持儀表與罐壁的距離,罐壁上的介質會黏附造成虛假回波,在調試儀表的時候應該進行虛假回波存儲。
|

|
|
|
|
|
罐內安裝
- 在信號波束內,應避免有如下安裝物(1):例如限位開關,溫度傳感器等。
- 對稱裝置(2),如真空環,加熱線圈,擋板等等。
- 如果罐內有(1)(2)干涉物件,應采用導波管進行測量。
安裝選擇
- 天線尺寸:天線越大,波束角越小,干擾回波將越弱。
- 天線調整:將天線調整到測量位置。
- 導波管:導波管用來避免干擾回波。
|

|
|
罐內安裝(XXD801、XXD802)
標準安裝
- 雷達天線不可向罐壁傾斜。
- 為了使溫度影響zui小化,在對接法蘭的連接處必須使用彈簧墊圈。
- 桿式天線必須伸出安裝短管。
- 垂直放置桿式天線,不要讓雷達束指向罐壁。
|

|
|
|
|
|
罐內安裝(XXD803)
標準安裝
- 雷達天線不可向罐壁傾斜。
- 喇叭天線必須延伸出安裝短管,否則應使用天線延伸管。
- 喇叭天線必須調整至垂直,不要讓雷達束指向罐壁。
|

|
|
安裝短管較長時使用天線延伸管
- 當喇叭長度小于安裝短管長度時,應使用天線延伸管。
- 如果喇叭直徑大于安裝短管的直徑,包括延伸管在內的天線需要從容器里面安裝,并將儀表抬高。選擇延伸管使儀表至少抬高100mm。
|

|
|
導波管內安裝
- 雷達傳感器通過導波管或旁通管進行測量,測量管起到導波作用。下面是一個測量管(導波管的構造圖)
- 測量管內壁必須平滑,如果可能的話測量管的內徑需要與喇叭口的直徑相符,請使用縱伸焊接的不銹鋼管。可以通過預先焊接的法蘭盤或焊接頭延長測量管。
必須注意:
- 焊接時,不能產生凸點或凸緣。將法蘭和測量管對齊固定,然后焊接。焊接不要穿透測量管管壁,管內壁必須保持平滑,一定要小心的除去焊縫和不平滑的地方,否則會造成很強的虛假回波。
|

|
測量條件
注意事項
- 測量范圍從波束觸及罐低的那一點開始計算,但在特殊情況下,若罐低為凹型或錐形,當物位低于此點時無法進行測量。
- 若介質為低介電常數當其處于低液位時,罐低可見,此時為保證測量精度,建議將零點定在低高度為C 的位置。
- 理論上測量達到天線尖端的位置是可能的,但是考慮到腐蝕及粘附的影響,測量范圍的終值應距離天線的尖端至少100mm。
- 對于過溢保護,可定義一段安全距離附加在盲區上。
- zui小測量范圍與天線有關。
- 隨濃度不同,泡沫既可以吸收微波,又可以將其反射,但在一定的條件下是可以進行測量的。

測量范圍超出的動作
當測量范圍超出時,儀表輸出為22mA電流。
接線方式

調試
XXD800可以通過三種方式調試:
- 通過顯示調整模塊XXPM
- 通過調試軟件XXSOFT
- 通過HART手持編程器
|
現場編程模塊(XXPM)
- XXPM編程器由6個按鍵和一個液晶顯示屏,可以顯示調整菜單和參數設置。其功能相當于一個分析處理儀表。
|

XXPM
|
|
|
|
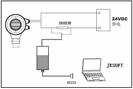
通過XXSOFT軟件調試
無論那種信號輸出,4…20mA/HART,雷達傳感器都可以通過軟件進行調試。采用BTSOFT軟件進行儀表調試,需要一個儀表CONNECTCAT驅動器。

使用軟件調試的時候,給雷達儀表加電24VDC,同時在連接HART適配器前端加一個250歐姆的電阻。如果一體式HART電阻(內部電阻250歐姆)的供電儀表,就不需要附加外部電阻,HART適配器可以和4…20mA線并聯。
XXD800系列尺寸

編程器尺寸

技術數據:
基本參數
工作頻率:6.8GHz
波 束 角: 24°SKD801, SKD802
18°SKD803 帶DN150法蘭
14°SKD803 帶DN200法蘭
12°SKD803 帶DN250法蘭
測量范圍:0…35m
重復性 :±3mm
分辨率 :1mm
采樣 :回波采樣55次/s
響應速度:>0.2s(根據具體使用情況而定)
電流信號:4…20mA
精度 :<0.1%
天線材質 SKD801、SKD802為PP/PTFE
XXD803 為316L不銹鋼
通訊接口 HART通訊協議
過程連接 XXD801 (PP,PTFE天線) :G1-1/2 316L不銹鋼,:
XXD802(棒式天線) :翻邊法蘭DN50,DN80,DN100,DN150
XXD803(喇叭口形式天線):法蘭DN50,DN80,DN100,DN150,DN200,DN250
電源 電源:24V DC(+/-10%),波紋電壓:1Vpp
耗電量:max22.5mA
環境條件 溫度:-40℃…+80℃
容器壓力(表壓)-1…40bar
防爆認證 ExiaII C T6
外殼保護等級 IP68
兩線制接線 供電和信號輸出共用一根兩芯導線
電纜入口:2個M20×1.5(電纜直徑5…9mm)
|
本頁產品地址:http://www.xuanwu-technology.cn/sell/show-1096.html