公司簡介
金湖中捷儀表有限公司是一家專業從事儀表研究、開發、生產、銷售、服務為一體的高新技術企業。
公司擁有一流的儀器和設備,完善的科學管理體系和制度,有豐富的設計制造經驗,公司嚴格執行產品國際標準及國內行業標準,參照國內各工礦企業的使用環境條件和工藝要求制訂嚴格的工藝流程,產品廣泛應用于鋼鐵、石油、化工、礦業、環保、冶金、造紙、排水等工業技術和管理部門。受到用戶一致好評,產品遠銷北京、上海、廣東、山東等,部分產品還遠銷國外。
我們本著“品質求精,客戶至上”的服務理念, 愿與客戶攜手,與科技同行,以全新的營銷策略,走向更廣闊的市場。我們在致力于將最新的科學技術應用到儀表的同時,還努力從客戶那里獲取產品改進的意見和建議,使得產品和服務得到客戶的一致好評,衷心希望成為您可信賴的合作伙伴。 我們生產的標準校驗裝置、電磁流量計、渦街流量計、孔板流量計、金屬管浮子流量計、金屬管轉子流量計、精密數字壓力計、物位計、壓力表、熱電偶、熱電阻、雙金屬溫度計、液位計、磁翻板液位計、壓力變送器、無紙記錄儀等產品在電力、石化以及冶金等行業的自動化控制中得到了廣泛的應用。
展開
產品說明
| ZJ-UDZ系列磁翻柱遠傳液位計 |
|

|
適用于低溫到高溫,真空到高壓等各種環境,是石油、化工等工業部門的理想液位測量產品。根據在容器中安裝位置的不同,提供側裝和頂裝兩種形式。根據工作介質不同,提供不銹鋼和ABS、PP-R工程塑料三種材質,其中ABS、PP-R材質適用于酸、堿等腐蝕性介質。
|
|
特點
|
|
|
1、以浮子為測量元件,磁鋼驅動翻柱顯示,無需能源。
2、配上下限開關輸出,可實現遠距報警,限位控制。
3、配變送器可實現液位遠距報指示,檢測與控制。
|
|
結構及工作原理
|
|
|
1、基本型
根據浮力原理,浮子在測量管內隨液位的升降而上、下移動,浮子內的磁鋼通過耦合作用,驅動紅、白色翻柱翻轉180°,液位上升時翻柱由白色轉為紅色,下降時由紅色轉為白色,從而實現液位指示。
2、電遠傳
在浮子液位計上安裝變送器,通過浮子上下移動,經磁耦合作用使導桿內測量元件依次動作,獲得電阻信號變化,轉換成0~10mA或4~20mA的標準信號輸出,與顯示儀表或計算機連接,達到遠傳目的。
3、上下限開關輸出
在液位計立管上由用戶設定上、下限位置安裝控制器,控制器內帶有自保持作用的舌簧開關,利用磁性浮子隨液位移動使簧片開關動作時,實現報警或限位控制。
|
| |

|
系統構成及接線
|
|
1、上下限開關輸出
由具有自保持作用的舌簧開關和轉換器組成,舌簧開關和轉換器分別安裝于現場和控制室,由轉換器提供三對觸點開關。
2、電遠傳
由測量單元和變送單元兩部分組成。
3、本安防爆
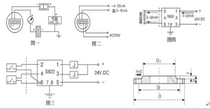
a 帶本安防爆,上、下限開關輸出型
防爆開關由舌簧開關和帶繼電器觸點的安全柵組成,可向用戶直接提供一對常開或常閉觸點。如用戶需更多觸點可特殊設計訂貨。(圖三)
b 帶本安防爆遠傳型
適合使用于∏類電氣設備(工廠用)、C級氣體,zui高表面溫度組別T4(135℃)。(圖四)
c 使用注意事項
①變送器外殼設有外接地,用戶使用時必須可靠接地。
②安全柵的使用應遵守有關使用說明內容。
③變送器與安全柵本安端的連接電纜為二芯屏蔽電纜,芯線截面積>0.5m ,電纜允許分布電容為0.8μF
|

用戶自備法蘭
|
安裝形式
|
主體材質
|
公稱直徑
|
公稱壓力
|
D
|
D1
|
D2
|
n
|
d
|
f
|
b
|
|
側裝
|
不銹鋼
|
20
|
4.0
|
105
|
75
|
56
|
4
|
14
|
2
|
16
|
|
ABS
|
20
|
10
|
105
|
75
|
56
|
4
|
14
|
2
|
16
|
|
頂裝
|
不銹鋼
|
200
|
2.5
|
360
|
310
|
274
|
12
|
26
|
3
|
32
|
|
ABS
|
200
|
0.6
|
320
|
280
|
274
|
8
|
8
|
3
|
32
|
主要技術指標
|
安裝形式內容
|
側裝式
|
頂裝式
|
|
安裝間距
(測量范圍)
|
不銹鋼
|
500~5000(mm)
|
500-2500(mm)
|
|
ABS、PP-R
|
500~4000(mm)
|
|
工作壓力
|
0.6,1.6,2.5,4.0MPa
|
0.6,1.6,2.5MPa
|
|
介質密度
|
>0。6g/c
|
>0.76g/c
|
|
法蘭連接
|
不銹鋼
|
法蘭20-40(DN20 PN1.0-4.0)
(GB9119-88)
|
法蘭200-25(DN200 PN1.6)
(GB9119-88)
|
|
ABS
|
法蘭20-10(DN20 PN1.0)
(GB9119-88)
|
法蘭200-6(DN200 PN0.6)
(GB9119-88)
|
|
主體材料
|
ICr18Ni9Ti、ABS、PP-R(工作壓力0.6MPa)
|
|
介質溫度
|
-40~100℃(ABS、PP-R:-40~80℃)
|
|
環境溫度
|
-40~+70℃
|
|
示值誤差
|
±100mm
|
|
介質粘度
|
≤1st(10-4 /s)
|
|
上、下限
開關輸出
|
1、控制靈敏度:10mm
2、輸出接點容量:AC220V 2A
3、接點壽命:5×104次
4、防爆特征:iaIICT4本質安全型
|
|
電遠傳、
連續顯示
|
1、精度:±1.5%
2、輸出負載:750Ω
3、輸出信號:0~10mA輸出,220V AC電源
4~20mA輸出,24V DC二線制
4、防爆特征:iaIICT4本質安全型
|
型號說明
|
ZJ-UDZ系列磁翻柱式磁浮子液位計
|
| |
1 側裝式
2 頂裝式
|
安裝方式
|
| |
1 1Cr18Ni9Ti
2 ABS
3 PP-R
|
主體材質
|
| |
1 0.6MPa
2 1.6MPa
3 2.5MPa
4 4.0Mpa
|
公稱壓力
|
| |
1 基本型
2 帶上下限開關輸出
3 帶電遠傳(0~10mA輸出,220V,AC)
4 帶電遠傳(4~20mA輸出,24V,DC)
5 帶本安防爆型(4~20mA,24V,DC)
6 帶本安防爆型上下限開關輸出
|
類型
|
| |
L 安裝間距(測量范圍)
|
|
| |
L1 安裝深度(頂裝式(0~4000mm任選)
|
|
| |
介質密度ρ(g/c )
|
|
| |
|
|
ZJ-UDZ-
|
2
|
2
|
1
|
1
|
L=2500mm
|
L1=3000mm
|
ρ=0.8g/c
|
舉例
|
|
本頁產品地址:http://www.xuanwu-technology.cn/sell/show-244965.html