公司簡介
金湖美高儀表有限公司主要從事溫度、壓力、流量、物位等系列儀器儀表、計量儀器、
控制系統的設計、開發、及裝置總成技術的銷售、服務工作。
公司座落在美麗富饒的高郵湖畔,有“天下第一荷花”美稱的魚米之鄉——金湖境內,
交通方便,東臨京滬高速、西靠寧連高速、鹽金線貫穿境內。
美高儀表正以卓越的敬業精神,精雕細琢的產品,周到細致的服務,步入市場經濟發展的浪潮中。
本公司將以優質的產品、優惠的價格、優良的服務積極參與市場競爭,竭誠與各界朋友,
新老客戶誠信合作,共創輝煌。
展開
產品說明
| 防爆電接點壓力表的詳細資料: |
 |
|
儀表的防爆類別為II類隔爆型B級T4組,其標志為ExdIIBT4。
儀表適宜在有爆炸危險的場所內用來測量非結晶、非凝固的爆炸混凝土合物或各種無爆炸性的介質壓力。
儀表經與具有相應防爆性能或采取相應安全措施的電氣器件(如繼電器及接觸器等)配套使用,便能對被控系統實現自動控制和發信(報警)的目的。
|
|
|
主要技術指標
|
|
精確度等級:1.6
標度范圍:0~0.16;0~0.25;0~0.4;0~0.6;0~1.0;0~1.6;0~2.5;0~4;0~6;0~10;0~16;0~25;0~40;0~60;-0.1~0.06;-0.1~0.15;-0.1~0.3;-0.1~0.5;-0.1~0.9;-0.1~1.5;-0.1~2.4MPa
控制方式:上、下限緩行接點開關
zui高工作電壓:DC220C或AC380V
觸頭功率:10VA
工作位置:垂直安裝
使用環境條件:-10~50℃,相對濕度不大于80%,且爆炸性混合物應屬IIB級T4組以下,工作振動和被測介質的急劇脈動應對儀表觸頭的可靠動作無影響。
溫度影響:示值不大于0.4%/10℃,設定點不大于0.6%/10℃(使用溫度偏離20±5℃)
絕緣強度:50Hz正弦交流電2000V歷時一分鐘
重量:6kg
● 隔爆接合面型式及基本參數
|
| 外殼容積V(L) |
>0.5
|
| 接合面型式 |
平面 |
圓筒(可動部份) |
| 隔爆接合面的zui小有效長度Lmm |
15 |
| 螺釘通孔邊緣至隔爆接合面zui小有效長度L1 |
8 |
| 隔爆接合面zui大間隙功直徑Wmm |
0.15 |
| 隔爆接合面的表面粗糙度Ra |
 |
 |
|
注:智能閃光報警儀隔爆接合面的有效長度和間隙寬度的范例機參見隔爆外殼結構示意圖
● 隔爆外殼及導壓系統等零件和材質 |
| 零件名稱 |
材料牌號或名稱 |
零件名稱 |
材料牌號或名稱 |
| 驅殼蓋 |
ZL102 |
薄墊圈 |
L3 |
| 出線盒 |
(或ZL-102,ZL-101) |
接頭 |
20 |
| 軸套 |
QAI9-2 |
彈簧管 |
3L53 |
| 觀察窗 |
有機玻璃 |
|
|
|
注:觀察窗的材質其抗沖擊強度不小于4J。
觀察窗一旦損壞,則不準使用。 |
| 結構原理 |
儀表由隔爆外殼、測量系統、電接點組、調節裝置和出線盒等組成。
儀表的隔爆外殼具有良好的隔爆性能,因此對在正常工作過程中由于火花或電孤的影響,隊了能承受殼體內部的爆炸性氣體混合物在一旦引起爆炸時產生的爆炸壓力外,并能有效地阻止由此產生的熱能向外順利傳播,智能隔離器而只能在殼體內部沿著隔爆接合面的微小縫隙處緩慢地向外擴散。這時,傳至殼體外部的瞬間溫度已降低到爆炸性氣體混合物的燃點溫度以下,故不會導致傳爆。
儀表的工作原理是基于檢測元件智能流量積算儀(測量系統中的彈簧管)的彈性變形,通過機械傳動使之帶動接點組中的觸頭產生相應的動作(閉合或斷開)以使控壓系統中的電路得以接通或斷開,從而實現自動控制報警和現場指示的目的。 |
|
隔爆外殼結構示意圖
|
1、接頭 2、驅殼 3、蓋 4、表玻璃 5、調節柱 6、軸套
7、彈簧圈 8、導電螺 9、絕緣套管 10、出線盒 11、密封墊圈 12、墊圈
13、壓緊螺栓 14、引入導線(四芯電纜) 15、圓柱頭內六角螺釘 16、圓柱頭內六角螺釘
17、薄墊圈 18、調節桿 |
|
電氣電路連接示意圖
|
 |
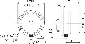
| 外形尺寸 |
|
單位:mm
|
|
|
|
本頁產品地址:http://www.xuanwu-technology.cn/sell/show-158286.html

免責聲明:以上所展示的[
YX-B防爆電接點壓力表]信息由會員[
江蘇美高儀表有限公司]自行提供,內容的真實性、準確性和合法性由發布會員負責。
[給覽網]對此不承擔任何責任。
友情提醒:為規避購買風險,建議您在購買相關產品前務必確認供應商資質及產品質量!