公司簡介
江蘇金湖鼎誠儀表有限公司位于、風景秀逸、素有“儀表之鄉、魚米之鄉、荷藕之鄉”之稱的江蘇省金湖縣。我公司是專業生產和銷售溫度儀表、壓力儀表、流量儀表、物位儀表、校準儀表、顯示儀表,及其他各類儀表的有限責任公司。本公司是江蘇省“高新技術企業”、江蘇省“重合同守信用單位”,并已通過ISO9001-2000質量管理體系認證。企業技術力量雄厚,工藝裝備先進,不但具有自主研發能力,目前還與國內多所高校學院建立了密切的技術合作關系。我公司擁有資深的專業技術工程師、實施咨詢顧問和項目管理專家,建立規模化、規范化的產品研發、市場銷售和客戶服務體系。產品性能穩定,可靠。同時公司與各著名品牌的專業公司保持著密切的業務伙伴關系,努力把高性能、高品質、高性價比的產品介紹給相關領域的客戶朋友,為客戶提供最佳的解決方案。
公司本著“誠信立企,德行天下”的指導思想,以誠信求生存,以質量求發展,期待與國內外廣大客戶建立真誠、穩定的合作關系,共創事業輝煌。
展開
產品說明
|
電接點壓力表結構原理
|
|
電接點壓力表由測量系統、指示裝置、磁助電接點裝置、外殼、調節裝置及接線盒等組成。
當被測壓力作用于彈簧管時,其末端產生相應的彈性變形一位移,經傳動機構放大后,由指示裝置在度盤上指示出來。同時指針帶動電接點裝置的活動觸點與設定指針上的觸頭(上限或下限)相接觸的瞬時,致使控制系統接通或斷開電路,以達到自動控制和發信報警的目的。
在電接點裝置的電接觸信號針上,裝有可調節的磁鋼,可以增加接點吸力,加快接觸動作,從而使觸點接觸可靠,消除電弧,能有效地避免儀表由于工作環境振動或介質壓力脈動造成觸點的頻繁關斷。所以該儀表具有動作可靠、使用壽命長、觸點開關功率較大等優點。
● 接點裝置電氣參數及控制形式
|
| 觸頭功率 |
zui高工作電壓 |
zui大工作電流
|
控制形式 |
| 30VA(阻性負載) |
220VDC或380VAC |
1A |
上下限、雙上限、雙下限 |
|
| 電接點壓力表型號 |
|
|
|
|
|
YXC-100 YXC-150 ZX-100ZT YXC150
|
| 電氣電路連接示意圖 |
|
|
圖中:JZ1、JZ2—繼電器及觸點
CJ—接觸器及觸點 RJ—熱繼電器
M—電機 YX—電接點壓力表
L—下限接點(綠) H—上限接點(紅)
B—公共接點(黃) |
|
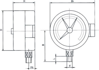
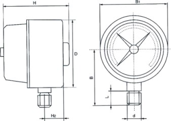
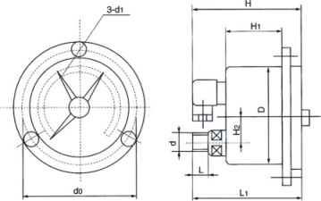
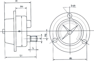
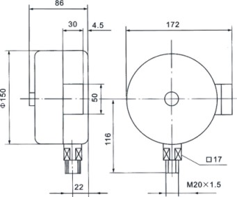
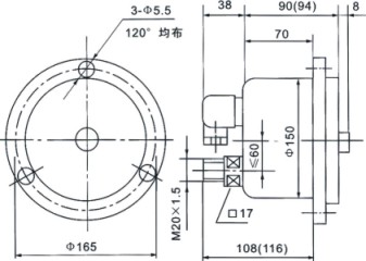
外形尺寸
|
|

YXC-100(1)、 YXC-150(1)

YXC-100(2)、 YXC-150(2)
|
|

YXC-100(1)ZT、 YXC-150(1)ZT

YXC-100(2)ZT、 YXC-150(2)ZT
|
|

YXC-150、 YXCA-150

YXC-153
|
| 型號 |
D |
H |
H1 |
H2 |
d0 |
d |
d1 |
B |
B1 |
L |
L1 |
|
YXC-60
|
φ60 |
46 |
|
13 |
|
M14×1.5 |
|
56 |
72 |
14 |
|
|
YXC-100
|
φ100 |
95 |
|
17 |
|
M20×1.5 |
|
87 |
121 |
20 |
|
|
YXC-100ZT
|
φ100 |
96 |
33 |
30 |
118 |
M20×1.5 |
5.5 |
|
|
20 |
115 |
|
YXC-150
|
φ150 |
78 |
40 |
17 |
165 |
M20×1.5 |
5.5 |
113 |
150 |
20 |
|
|
YXC-150ZT
|
φ150 |
78 |
40 |
30 |
165 |
M20×1.5 |
5.5 |
113 |
150 |
20 |
100 |
|
電接點壓力表分類
普通型 適于測量對銅合金、鐵無腐蝕作用的氣體及液體的壓力。
防腐型 主要測壓元件及儀表外殼均采用不銹鋼材料設計,適于測量腐蝕性較強的氣體及液體的壓力。
耐震型 通過對表體內充油,利用液體阻尼確保無振動顯示,適用于測量介質強烈脈動及環境震動較大的場所。
防爆型 適用于環境有爆炸性混合物的危險場所
江蘇金湖鼎誠儀表有限公司主營電磁流量計、渦街流量計,磁翻板液位計等儀器儀表,更多產品請登錄 http://www.china-dcyb.com,24小時:。
本頁產品地址:http://www.xuanwu-technology.cn/sell/show-169851.html